我们来详细探讨一下“几元淘”这个概念下的无损传输、蓝牙耳机以及主板选择,并解释接口的定义方法。
需要"特别强调"的是,“几元淘”通常指的是在二手平台(如闲鱼、转转等)或一些低价促销渠道购买价格非常低廉的商品。在这样的背景下,“无损传输”和“蓝牙耳机”往往难以同时完美实现,并且“主板”的选择范围和性能也受到极大限制。以下分析将基于这个现实背景:
"1. “几元淘”的无损传输 (Lossless Transmission)"
"概念澄清:" 在音频领域,“无损传输”通常指音源信号在传输过程中不丢失任何信息,常见于HDMI、光纤、同轴等数字音频接口,或者无损压缩格式(如FLAC, ALAC)的文件传输。在蓝牙领域,标准的蓝牙(Bluetooth)传输是有损压缩的,为了追求“无损”体验,通常需要使用"aptX HD、LDAC"等高级蓝牙编码技术。
"“几元淘”的现实:"
"普通蓝牙:" 大部分几元淘的蓝牙耳机或蓝牙模块,都使用的是标准蓝牙(SBC编码),其压缩率较高,传输音质与有线连接相比有明显损失,离“无损”差得很远。
"高级编码 (aptX/LDAC):" 支持aptX HD或
相关内容:
最近淘了一些蓝牙耳机主板或模块,大部分可能是库存新的未焊接过,能用还是居多,有部分可能是工厂检测有些小问题放出来的,比如本周淘的两种型号蓝牙耳机主板,电池电压检测有误过早报低电压,有些是全新无故障,也有少量是坏的,这就要看运气了。
这类二手商家都是没有技术支持,没有售后,不退不换,所以还是有些风险,不过价格低,还能接受,不过不是电子爱好者的小白,或焊接技术不行,还是不建议淘,不然搞不出来接线图来或焊接不好(焊点太小太细了),它仍然是电子垃圾。

卖家大多申明无参数无引脚定义无技术支持

9.5元的CSR8645(商家给了接线定义,所以价高些)
比如像采用高能通公司的CSR8670、CSR8675等高端蓝牙模块价格还很高的,新的好点的可能要7、80元了,而一些二手蓝牙耳机主板只要10多元或几元(没有接口定义),所以还是有淘的价值。
淘蓝牙耳机主机的原则:
- 首先看采用的芯片方案,尽量优先选高端的,太低端的没有什么可玩性,虽然价格很低几毛,几元不等,但音质不好,不建议淘。可参考下表一些常见型号进行选择,只是针对具体型号进行分类,标注低端型号的厂家,不一定只有低端的,也有音质很好中高端的,只是可能流出的较少见或我不熟悉,刚开始我也不懂,尽淘些电子垃圾,食之无味,丢之可惜,最多做为拆件的料板用。
- 尽量淘带无损传输的,比如带APTX无损传输的,如二手里最常见的CSR8645,而CSR8670,CSR8675(24位APTX-HD,前两种型号是16位的)要更难遇到,其它高端的芯片方案,目前我也没遇到过。

支持APTX无损传输,连接后有APTX图标
- 一般我们淘这些主板主要是用来升级那种老式头戴耳机,重温“磨机”的乐趣,这种耳机空间大,便于升级,或做为蓝牙接收器,用来升级老功放,增加蓝牙功能。
带无损传输的实测音质确实好很多,关键是更耐听,当然最好还是要下载无损的音乐。

蓝牙耳机芯片方案的参考
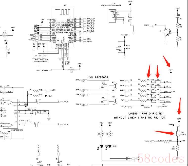
蓝牙耳机主板接口定义的确定
拿到主板最郁闷最尴尬的,就是不知道怎么接线,商家大多都已声明没资料,不提供技术支持,可能他们也没时间,或没技术搞出来,如果有资料往往价格就上去了,会高几倍的,可能有朋友说可以查芯片资料,数芯片脚啊,但蓝牙耳机主板大多都很小,芯片就更小了,有些封装你根本就看不到管脚,怎么数,怎么测啊!不是所有的朋友都有条件拆下芯片的。
我一般是这样做的:
1)确定电池正负极焊点(板上已标明除外),
首先确定负极(地),这个好确定,不多说。一般都有现成的USB充电接口(外壳就是地),插电后,用万用表测板上的焊点,有4.2V左右电压的,焊点稍大一些最有可能是电池正极了,因为锂电池充电截止电压是4.2V,没接电池空载时就是最高4.2V。
2)找开机键
这一步要难点的,先查资料,有芯片资料最好,找不到有模块资料也行,主要是看按钮是高电平还是低电平有效,如果是高电平,可在高电平点接一个几K或10K的电阻(这样更安全,不易短路烧坏主板),开机大多是按住不放(即长按),也有用一个开关通电开机,断电就关机,下面两款就是,需要开机键一直接通。
3)其它功能按钮接口定义的确定
开机后(主板上的灯会闪),先用蓝牙连接手机,用同样的方法测出其它功能键后,串的电阻就可以取下,直接接,一般都不用另外接电阻,主板上有,有些是1点几的高电平(如下电路图就是1.8V),可以在电路板上测,一般有有测试点或接口,或直接接电池正极。
4)耳机喇叭输出接口的确定
可以用功放的输入端,一端接耳机板的地,一端接一个小电容(1uF、10uF都行),去试耳机主板上的接口或测试点,一般蓝牙耳机芯片是差分输出的,就有四个输出端,所以会有四个接口点有声音,测出后,两个端口一个喇叭,四个共接两个喇叭。也有单端输出,这种板上一般会多一个芯片把差分转单端,单端的通过阻抗匹配就可以直接输出到普通功放,如果是差分的要接有差分输入的功放,或经运放电路转换成差分输入。

比如这款3.5元的主板HBS800(CSR8645)支持APTX无损传输


蓝牙模块的电路图
只找到CSR8645模块的资料,但有按钮的接线图。
功能键没有深入测试,一个键可能会有多个功能,分长按和短按

只要找到按钮接线方法,更多功能也好办了
另一款3.5元的,按钮公共端应该接1.8V端,测试时忘记找了,这样也能用。至此这样你也可以淘价格更低的蓝牙耳机主板,自已经找到接口定义。
还有点很重要别忽略
就是手机要支持相应的无损传输协议,现在大多手机都支持(可再设置中找或官网查),刚开始我用华为Mate 30,但不支持,后来发现我升级成鸿蒙系统,因为众所周之的原因,没有和高通公司继续互换协议,现在不支持了(又心疼华为一会儿),我用原来换下的老荣耀手机连接都是支持的,华为有自已的无损传输技术,只是还没机会用。

这款是CSR8670芯片,15.8元,卖家给了接线定义,按说根据芯片是支持APTX无损的传输,实际测试不支持(可能是软件的问题,不会是阉割版吧),仔细看商品信息,商家确实没说支持,大意了,感觉不划算,不过CSR8670音质还是不错的。

支持APTX无损有标识

至此这样你也可以几元淘支持无损的高端蓝牙耳机主板,自已可以找到接口定义。
还有点很重要别忽略
就是手机要支持相应的无损传输协议,现在大多手机都支持(可再设置中找或官网查),刚开始我用华为Mate 30,但不支持,后来发现我升级成鸿蒙系统,因为众所周之的原因,没有和高通公司继续互换协议,现在不支持了(又心疼华为一会儿),我用原来换下的老荣耀手机连接都是支持的,华为有自已的无损传输技术,只是还没机会用。

微信扫一扫打赏
支付宝扫一扫打赏